青岛垚鑫智能科技有限公司
宣传

位置:天辰平台 >

有色技术频道 >

> 合金材料技术

分类:
全部
矿山技术
冶金技术
材料制备及加工技术
环境保护技术
分析检测技术
 
全部
功能材料技术
复合材料技术
新能源材料技术
合金材料技术
加工技术
地区:
全部
北京
天津
上海
重庆
河北
山西
辽宁
吉林
黑龙江
江苏
浙江
安徽
福建
江西
山东
河南
湖北
湖南
广东
海南
四川
贵州
云南
陕西
甘肃
青海
内蒙
广西
西藏
宁夏
新疆
其他
其他
展开
 
全部

有色金属合金材料技术理论与应用

免费发布技术信息>>
新型连续阳极铝电解槽的焙烧启动方法

本申请公开了一种新型连续阳极铝电解槽的焙烧启动方法,所述方法包括:在铝电解槽中依次布设导电介质,支撑盘与阳极框套;向阳极框套中加入第一预设高度的阳极糊料,在阳极框套侧面设置电流分流器;在阳极框套与铝电解槽的内壁之间的空隙中填充石油焦,通入直流电开始焙烧;焙烧时间达到第一预设时间后,拆除电流分流器,对阳极锥体进行导电增强处理;阴极炭块的温度达到第一预设温度后,去除石油焦,在阳极框套与铝电解槽的内壁之间的空隙中填充冰晶石;阳极锥体的第一平均锥体高度达到第二预设高度

标签:
阳极铝电解槽 铝电解槽
河南 - 郑州 来源:中铝郑州有色金属研究院有限公司 2025-07-29
铜及铜合金半连续恒温铸造控制装置

本实用新型公开了一种铜及铜合金半连续恒温铸造控制装置,属于铜铸锭加工技术领域,包括立方水箱、板式交换器、结晶器和旁通,所述结晶器与立方水箱之间通过回水管连通在一起,所述结晶器与板式交换器之间通过入水管连通在一起,所述立方水箱与板式交换器之间的管路上安装有变频泵,所述立方水箱的内腔固定安装有加热式热电偶,所述回水管与入水管之间连通有旁通;本实用新型通过立方水箱、变频泵、板式交换器、电动阀门、旁通和加热式热电偶的协同配合,实现结晶器入口水温的恒温铸造控制

标签:
铜合金 铜合金制备
湖北 - 黄石 来源:中铜华中铜业有限公司 2025-07-24
高强度铜合金带材及其生产工艺

本发明公开了一种高强度铜合金带材及其生产工艺。该铜合金带材包括1~2.2%的Sn、0.03~0.15%的P、0.5~1.0%的Ni、≦0.5%的Zn、≦0.3%的Fe,余量为Cu。其通过以下步骤制成:配料→熔炼→水平连续铸造→铣面→粗轧开坯→均匀化退火→粗轧→洗剪边→第二次退火→表面去氧化酸洗→第一次精轧或20辊轧机轧制→第三次退火表面去氧化酸洗→第二次精轧或20辊轧机轧制→第四次退火→表面去氧化酸洗→第三次精轧→拉弯矫直→低温应力退火→拉弯矫直→表面酸洗钝化→成品分剪、检验入库。

标签:
高强度铜合金带材 铜合金带材
浙江 - 绍兴 来源:绍兴市连达金属材料有限公司 2025-07-24
高延伸率高强度高锌Al-Zn-Cu铸造合金及其制备方法

一种高延伸率高强度高锌Al?Zn?Cu铸造合金及其制备方法,涉及有色金属技术领域,合金含量分别为:Zn 25~35%,Cu 0~4%,余量为Al。熔炼方法为:将纯铝和中间合金放入熔炼坩埚中,加热720~780℃形成铝熔体;放入纯锌搅拌熔化,扒渣后倒入提前准备好的模具当中。铸态合金屈服强度为>245MPa,抗拉强度为>365MPa,延伸率>10%。本发明的高锌铝合金高延伸率,高强度;制备方法简单,操作方便;能耗小,成本低,具有良好的应用前景。

标签:
高锌铸造合金 高锌铸造合金制备
北京 - 北京 来源:北京工业大学 2025-07-23
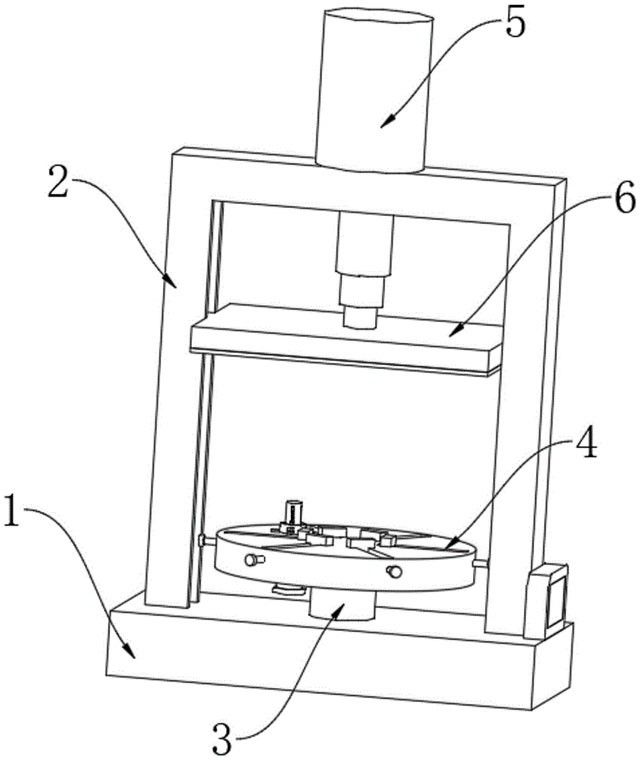
防止偏移的金属材料压缩试验装置

本实用新型涉及压缩装置技术领域,提供一种防止偏移的金属材料压缩试验装置,包括底板和支撑架;所述底板的顶端固定有支撑架,所述底板顶端支撑架的一侧固定有压缩底座,所述压缩底座的顶端均匀开设有夹持结构。本实用新型通过设置有夹持结构,在对不同尺寸以及形状不尽相同的金属材料进行夹持的过程中,启动不同的夹持螺纹杆使得夹持块通过凸块在滑槽的内部进行移动,进而使得多组夹持块对金属材料进行夹持定位,从而达到了便于对不同尺寸的金属材料进行加持定位使其在压缩的过程中不易产生偏移的目的。

标签:
金属材料压缩试验装置 金属材料
江苏 - 无锡 来源:中机试验装备(江苏)有限公司 2025-07-23
用于钛合金薄板的矫平方法

本发明公开了一种矫平方法,尤其是公开了一种用于钛合金薄板的矫平方法,属于钛合金生产工艺技术领域。提供一种能有效消除对真空退火炉的依赖,显著提高生产效率,明显降低生产成本的用于钛合金薄板的矫平方法。所述的矫平方法包括钛合金薄板,所述的矫平方法先对钛合金薄板进行真空压装包覆,然后将钛合金薄板连同真空压装包覆件一起置于加热炉内进行加热压矫获得规定平整度的钛合金薄板。

标签:
钛合金薄板 钛合金薄板矫平方法
四川 - 成都 来源:成都先进金属材料产业技术研究院股份有限公司 2025-07-23
具有双控温带除气过滤功能的铝合金连续溶解保温炉

本发明涉及合金生产技术领域,公开了具有双控温带除气过滤功能的铝合金连续溶解保温炉,包括料塔,所述料塔的外侧设置有提升机,所述提升机的底部滑动连接有料车,所述料塔的后侧固定连接有熔化室,所述熔化室的底部固定连接有熔化燃烧器,所述料塔的外部固定连接有保温室,所述保温室的内部开设有勺型炉腔,所述保温室的顶部固定连接有保温室温度检测仪,所述保温室的内部固定连接有保护板式侵入电加热,所述保温室的内部固定连接有保温燃烧器。通过炉腔内勺型结构与新型加热方式,并采用双温度控制方式减少炉腔内与取料室位置的温差,方

标签:
铝合金连续溶解保温炉 保温炉
安徽 - 蚌埠 来源:安徽昊方机电股份有限公司, 山东昊方联合铸造有限公司 2025-07-22
稀土硅合金生产用碎粒装置

本实用新型公开了一种稀土硅合金生产用碎粒装置,涉及稀土硅合金技术领域,包括机架,所述机架顶部固定安装有第一破碎箱,所述第一破碎箱的底部固定连接有转移料斗,所述转移料斗的底部设置有第二破碎箱;所述第一破碎箱的内部设有第一破碎机构,且第二破碎箱的内部设有第二破碎机构,所述第一破碎箱通过所设的转移料斗与第二破碎箱相连通。通过采用两级破碎机构,第一破碎箱内的第一破碎机构通过齿轮传动实现高效破碎,第二破碎箱内的第二破碎机构中的破碎辊通过连杆和伸缩杆实现了对向挤压破碎

标签:
稀土硅合金 碎粒装置
内蒙 - 包头 来源:包头市固阳县双亿化工有限责任公司 2025-07-18
高强度耐腐蚀铜合金棒

本实用新型公开了一种高强度耐腐蚀铜合金棒,包括:主体单元,所述主体单元包括棒体,所述棒体的中心处开设有通孔,所述棒体的侧壁上等间距的开设有多个斜面,每个所述斜面上均设置有压印层,多个所述斜面的棱边均加工成二号弧形角,所述棒体的两端开设有两个端面,其有益效果为:通过开设通孔便于对棒体内部进行散热,提高其散热性能,同时通孔的直径较小,保证了棒体的整体强度,且斜面的棱边设置为二号弧形角,使得棒体在承受力时能够较为均匀的分散应力,并且通过压印层的设置可以适当消除或减轻金属表面的残余应力

标签:
铜合金棒
江苏 - 扬州 来源:江苏美霖铜业有限公司 2025-07-16
用于钛合金链条的生产工艺及装置

本发明涉及钛合金链条生产技术领域,公开了一种用于钛合金链条的生产工艺及装置,包括工作台,所述工作台的顶部活动安装有整形箱,所述整形箱内壁的一端设置有输送辊,所述整形箱的内壁设置有涂覆辊,所述整形箱内壁的顶部和底部均固定连接有分流管,所述分流管的外表面固定连接有渗出头。本发明具有以下优点和效果:钛合金链条板继续移动,避让瑕疵处,当第二识别板上的标记识别传感器识别到瑕疵处时,瑕疵处已经经过下模具的顶部,冲压台恢复正常工作,自动避让瑕疵处被加工

标签:
钛合金链条
山东 - 泰安 来源:新泰市泰达米尔索具有限公司 2025-07-16
高温合金材料扩散和性能测试系统

本发明公开了一种高温合金材料扩散和性能测试系统,本发明涉及高温合金测试设备技术领域,现提出如下方案,其包括有合金材料测试支架,所述合金材料测试支架的内部左右两侧均设置有合金材料夹具组件,所述合金材料测试支架的上表面设置有合金材料测试组件。本发明的技术方案中,通过设置测试支架将待检测的合金材料进行夹持,并依靠亥姆霍兹线圈件提供合金材料具有平衡稳定的磁场环境,并以电磁加热线圈对合金材料进行加热处理

标签:
高温合金材料 合金材料技术
重庆 - 重庆 来源:重庆工业职业技术学院 2025-07-16
TA10钛合金-2205双相不锈钢复合板爆炸焊接方法

本发明涉及爆炸焊接方法技术领域,具体地说,涉及一种TA10钛合金?2205双相不锈钢复合板爆炸焊接方法。其包括:步骤一、选择作为复层的TA10钛合金板材和作为基层的2205不锈钢板材;步骤二、爆炸焊接前,对不锈钢板材表面做降低硬度处理;步骤三、配置低爆速炸药;步骤四、对钛合金板材边缘进行刻槽处理;步骤五、采用梯度布药方式。该TA10钛合金?2205双相不锈钢复合板爆炸焊接方法中,爆炸焊接前,不用进行预热处理,减少加热方面的费用;消除了因导热性能差异产生的焊接风险;

标签:
钛合金
安徽 - 黄山 来源:黄山顺钛新材料科技有限公司 2025-07-09
钛合金厚板的水切割装置及水切割方法

本发明属于钛合金板加工技术领域,具体提供了一种钛合金厚板的水切割装置及水切割方法,所述的钛合金厚板的水切割装置包括水切割组件;所述水切割组件包括混砂室、连接管道和喷嘴;所述连接管道用于连接混砂室和喷嘴;在喷嘴上设有用于进行切割的切割喷口,所述切割喷口设置为一字形结构。通过将切割喷口的形状设置为矩形喷嘴,使得射出的水流由圆柱形变为棱形,诱导水切割后水流向矩形口长边的两侧流动,从而避免了两刀切割时,第一刀在下部形成的空洞,提高了表面质量。

标签:
钛合金切割方法 钛合金切割装置
湖南 - 长沙 来源:湖南湘投金天钛金属股份有限公司 2025-07-03
不使用铬的铝和铝合金的阳极化后密封方法

本发明涉及一种不使用铬的铝或铝合金的阳极化后密封方法。本发明还涉及一种用于处理由铝或铝合金制成的部件的表面的方法,该部件意图用于航空领域,该方法至少包括以下步骤:i)将所述部件进行阳极化步骤;ii)通过根据本发明的阳极化后密封方法处理该阳极化部件;以及可选地iii)施加一层或多层涂料。本发明还涉及由根据本发明的阳极氧化后密封方法处理的由铝或铝合金制成的部件,该部件可选地包括一层或多层涂料。

标签:
铝合金制备
北京 - 北京 来源:赛峰起落架系统公司 2025-07-02
铝合金三价铬镀黑铬的镀层结构

本实用新型公开了一种铝合金三价铬镀黑铬的镀层结构,包括铝合金基体、和在所述铝合金基体上从内到外依次制备的化学沉锌层、聚合硫氰酸盐镀铜层、光亮镀镍层、高防腐镍锡合金镀层、三价铬黑铬镀层、及稀土电解保护膜。本实用新型公开的铝合金三价铬镀黑铬的镀层结构,按照GB/T 5270–2005《金属基体上的金属覆盖层电沉积和化学沉积层附着强度试验方法评述》以热震法测试镀层结合力,其结合力满足标准要求,按照GB/T 10125–2021《人造气氛腐蚀试验盐雾试验》进行中性盐雾试验120h,镀件表面无腐蚀物生成,本镀层结构具有良好的耐蚀性。

标签:
铝合金制备
广东 - 广州 来源:广州超邦化工有限公司 2025-07-02
高合格率储能箱铝合金水冷板制备方法

本发明涉及一种高合格率储能箱铝合金水冷板制备方法,包括将整块铝材进行切割,得到基板毛坯和盖板毛坯,四周均留有一定的余量;通过等离子体活化清洗对基板毛坯和盖板毛坯进行清洗,去除毛坯杂质;将基板放置到CNC机床上固定,CNC机床的刀头沿着预设路径在基板表面挖出主流道;使用压缩空气吹除主流道内的金属碎屑,再采用电解工艺,通过阳极溶解精准去除主流道残留细小毛刺;对基板表面进行脉冲微弧氧化处理;

标签:
铝合金水冷板制备 铝合金
浙江 - 湖州 来源:浙江米皇新材股份有限公司 2025-07-02
新型可热成型免淬火铝合金薄板的制备方法

一种新型可热成型免淬火铝合金薄板的制备方法,本发明涉及铝合金板材制备技术领域,具体涉及一种新型可热成型免淬火铝合金薄板的制备方法。本发明要解决可热处理强化铝合金室温塑性低、成形零件后续热处理形状畸变问题。方法:一、配料;二、铸造得到新型可热成型免淬火铝合金铸锭;三、热轧得到7mm厚热轧卷料;四、冷轧得到1.5mm厚冷轧卷料;五、开卷得到板片;六、热冲压得到结构件;七、时效得到成品结构件。

标签:
铝合金薄板 铝合金薄板制备
黑龙江 - 哈尔滨 来源:东北轻合金有限责任公司 2025-07-02
抗高温蠕变的高强高导铜镍硅钴镁银合金及其制备方法

一种抗高温蠕变的高强高导铜镍硅钴镁银合金及其制备方法,合金成分为:Ni:1.0~2.6wt%,Co:0.5~1.6wt%,Si:0.3~0.9wt%,Mg:0.05~0.2wt%,Ag:0.5~1.5wt%,余量为Cu。制备方法包括:按照上述合金成分级质量百分含量配置原料,使用真空熔炼炉进行合金铸造;对铸锭进行固溶处理,随后快速水冷至室温,以保留合金的固溶状态;铣去铸锭的板表面缺陷后,对铸锭进行热轧;再经两次冷轧、三次时效处理,空冷至室温。本发明合金最高达到抗拉强度889.75MPa,屈服强度733.16Mpa,硬度265.5Mpa,导电率54.45%IACS,延伸率2.23%。

标签:
铜镍硅钴镁银合金 铜镍硅钴镁银合金制备
江西 - 南昌 来源:江西省科学院应用物理研究所 2025-07-02
微合金化碲铜合金及其制备方法和应用

本发明公开了一种微合金化碲铜合金及其制备方法和应用,该微合金化碲铜合金,按质量百分比计,微合金化碲铜合金的各组分包括Cu:99?99.5wt%,Te:0.24?0.50wt%,P:0.004~0.020wt%,Zr:0.03?0.10wt%,以及不可避免的杂质;微合金化碲铜合金的组织包括第二相,第二相包括铜碲相和碲锆相,所述铜碲相和碲锆相的质量比为6.5?10.0,该微合金化碲铜合金具有良好的折弯性能和较小的冲压毛刺。

标签:
铜合金制备 铜合金制备技术
浙江 - 宁波 来源:宁波金田铜业(集团)股份有限公司 2025-07-02
铝合金生产用铝液除渣设备

一种铝合金生产用铝液除渣设备,包括熔铝炉;炉体倾斜装置,设置在熔铝炉上,用于驱动熔铝炉倾斜;转动环,转动环一侧开设有圆环槽,圆环槽通过隔板分隔成多个滤仓,转动环另一侧开设有多个过滤孔,熔铝炉侧壁上对称设置有两个圆弧板,圆弧板与转动环一侧抵触连接;转动管,设置在转动环下部;转动组件,设置在熔铝炉上,转动组件上设置有转动管,配置为通过转动管驱动转动环转动;储渣仓,可拆卸设置在熔铝炉侧壁上;除气除渣装置,设置在熔铝炉上方,用于往铝液中添加精炼剂和除气气体。

标签:
铝液除渣设备 铝合金生产技术
江苏 - 镇江 来源:江苏轩辕特种材料科技有限公司 2025-07-01
免热处理高性能压铸稀土铝合金与制备方法及其应用

本发明公开了一种免热处理高性能压铸稀土铝合金,其包括以下质量分数的化学组分:Mg:3.0~6.2%、Si:2.0~8.3%、Cu:1.0~2.8%、Mn:0.13~0.8%、Ta:0.03~0.56%、Zr:0.03~0.62%、Ag:0.01~0.26%、Hf:0.01~0.32%、Ti:0.01~0.24%、Be:0.0001~0.0050%、Fe≤0.2%,稀土元素总含量0.1~1.2%,其中稀土元素为Ce、Y、Yb三种,其他不可避免的单个杂质元素≤0.03%,杂质元素总量≤0.15%,余量为铝。

标签:
铝合金处理 铝合金制备
广西 - 南宁 来源:广西贝尔中科技术有限公司 2025-07-01
适用于光伏的铝合金材料及其制备方法

本发明涉及合金材料制备领域,尤其涉及一种适用于光伏的铝合金材料及其制备方法。本发明提供了一种适用于光伏的铝合金材料,包括按质量百分比计的如下组分,Si:0.75~0.85%;Mg:0.70~0.80%;Ti:0.05~0.20%;Zr:0.05~0.18%;Mn:0.01~0.03%;Fe≤0.10%;Cu≤0.03%;Cr≤0.05%;Zn≤0.05%;余量为铝,其中所述铝合金材料还满足1.08≤Si/Mg≤1.18和0.10%≤Ti+Zr≤0.30%的条件。本发明提供的一种适用于光伏的铝合金材料,可用于铸棒、铸锭等产品,后续可用于高压铸造、挤压锻造等产品,其强度和韧性显著提高。

标签:
铝合金材料 材料制备
浙江 - 金华 来源:浙江今飞凯达轮毂股份有限公司 2025-07-01
增材制造梯度合金及其制备方法

本发明属于金属材料增材制造技术领域,具体涉及一种增材制造梯度合金及其制备方法,该合金包括合金基体、过渡层、熔覆层,过渡层位于合金基体与熔覆层之间,过渡层沉积于合金基体上,熔覆层沉积于过渡层上,过渡层由合金基体粉末和熔覆层粉末混合组成。本发明能够显著抑制打印裂纹的形核生长,使得熔覆层内无裂纹,熔覆层与基体界面处无未熔合孔隙,提高熔覆层的结合效果。

标签:
梯度合金 梯度合金制备
浙江 - 嘉兴 来源:中核核电运行管理有限公司 2025-06-24
铜带连续压平设备
铜带连续压平设备 646     
 0

本发明属于铜带压平技术领域,且公开了一种铜带连续压平设备,包括安装座,阵列设置在安装座正面的压平辊,分布在压平辊两侧的引导辊和校正辊,以及设置在安装座背面的驱动控制部,所述安装座的正面固定连接有安装组件。本发明通过使得伸出的定位挡板二抵触在铜带外侧,一方面保证在进行压平前铜带布置时,利用收缩的定位挡板二预留铜带插入布置空间,另一方面在布置插入后利用复位的定位挡板二配合内侧定位组件实现内外侧的定位处理,实现纠偏处理,保证铜带具有快捷装配布置的同时

标签:
铜带连续压平设备 合金材料技术
江苏 - 苏州 来源:昆山鑫拓金属材料有限公司 2025-06-24
低成本高强度的两相钛合金及其制造方法

本发明公开了一种低成本高强度的两相钛合金,其含有Ti和不可避免的杂质元素,其还含有质量百分含量如下的下述各化学元素:Al:5.3~6.3%,V:3.4~4.4%,Cr:0.5~1.4%,Fe:0.6~1.4%。本发明还公开了一种两相钛合金的制造方法,其包括步骤:获取原料,所述原料包括海绵钛,铁块、铬块、铬铁合金、铝钒合金以及金属铝;压块:将铝钒合金、金属铝以及一部分海绵钛混合后压块,以作为第一压块;将铬铁合金、铁块、铬块以及其余的海绵钛混合后压块,以作为第二压块;布料:

标签:
钛合金制造 两相钛合金
上海 - 上海 来源:宝山钢铁股份有限公司, 上海交通大学, 宝武特种冶金有限公司 2025-06-23
基于铜氨法制备的碳化硼/再生纤维素复合纤维及其加工方法

本发明公开了一种基于铜氨法制备的碳化硼/再生纤维素复合纤维及其加工方法,属于纤维材料制备技术领域。铜氨溶液和植物纤维混合溶解后,再与碳化硼粉混合,得到碳化硼/纤维浆粕纺丝液,通过湿法纺丝工艺得到铜氨法制备的碳化硼/再生纤维素复合纤维。碳化硼/纤维素复合纤维主要基底为纤维素,能够在自然环境中能被微生物分解,具有良好的可降解性,不会对环境造成长期的污染。纤维素的多孔结构使得气体和水分能够顺利通过复合纤维,具有良好的透气性和透水性。

标签:
碳化硼 再生纤维素复合纤维
黑龙江 - 齐齐哈尔 来源:齐齐哈尔大学 2025-06-19
铝锂合金热处理方法和带筋筒壳

本发明属于航空航天材料制备技术领域,具体涉及一种铝锂合金热处理方法和带筋筒壳,将铝锂合金分段升温至400?440℃,保温,然后置于500?510℃下,保温,冷却至室温;所述分段升温时,控制所述铝锂合金的升温速率不大于1℃/min,所述分段升温至少分为三段,每次升温完成后保温,每段保温温度的间隔温差为50?70℃,首次升温后的保温温度为230?250℃;本发明显著降低晶粒尺寸,同时提高产品强度和延伸率。

标签:
铝锂合金制备
湖南 - 长沙 来源:中南大学 2025-06-19
合金导体材料及其制备方法和一种线缆

本发明提供一种合金导体材料及其制备方法和一种线缆。本发明所述合金导体材料,包括:Zr 0.010~0.028%、B 0.02~0.03%、Fe 0.01~0.03%、Si 0.010~0.028%、(V+Ti+Cr+Mn)0.012~0.050%、RE 0.001~0.048%,余量为铝。本发明采用极微稀土微合金化成分设计技术,通过控制结晶轮分区精准冷却提供在线固溶效果,匹配热连轧速度与道次尺寸分配形成在线铝杆退火效果,同时对不同规格导线冷拉拔速度精确控制提供拉拔热量实现导线在线退火效果,增加成品线材低温稳定化退火工艺,实现高温组织性能的均匀性与稳定性提升。

标签:
合金导体材料 材料制备
北京 - 北京 来源:中铝材料应用研究院有限公司 2025-06-19
钨基与铜基异种金属材料的焊接方法

本发明属于异种金属焊接技术领域,具体涉及一种钨基与铜基异种金属材料的焊接方法。本发明在焊接前添加中间层,中间层以钛(Ti)为基体,辅以Al、V、Fe等元素,能够有效协调钨与铬锆铜合金的物理性能差异(如线膨胀系数、熔点),减少焊接界面因热应力产生的裂纹;Al和V的添加可形成活性中间相,加速原子扩散速率,缩短焊接时间,同时提高界面冶金结合的均匀性;严格控制氧含量(O<0.2%)和低碳(C:0.07?0.11%),避免焊接过程中氧化物和碳化物的形成,确保界面纯净;钛基合金耐高温性能优异,在880~900℃的扩散焊条件下仍能保持结构稳定

标签:
异种金属材料 异种金属材料焊接
安徽 - 合肥 来源:合肥工业大学 2025-06-16
提高低合金高强钢/镍基合金双金属复合板强度的热轧复合工艺

本发明涉及一种提高低合金高强钢/镍基合金双金属复合板强度的热轧复合工艺,属于材料技术领域。首先将焊接好的组坯在1250℃保温2~4h,出炉后在高于1000℃时采用大变形轧制,每道次压下量≥20%,在此阶段将复合板轧到目标厚的70%以上;当温度处于900~1000℃时采用小变形量轧制到目标厚度,随后在空气中冷却至室温。使用该热轧复合工艺双金属材料可实现有效的冶金复合,得到的双金属复合界面平直,无孔隙和裂纹等冶金缺陷,试样经三点弯曲后的界面仍复合良好,宏观和微观上均未出现裂纹。

标签:
镍基合金 热轧复合工艺
辽宁 - 沈阳 来源:中国科学院金属研究所 2025-06-16
上一页 1 2 3 4 5 ... 23 下一页
共23页    到第

天辰平台为您提供最新的有色金属合金材料技术理论与应用信息,涵盖发明专利、权利要求、说明书、技术领域、背景技术、实用新型内容及具体实施方式等有色技术内容。打造最具专业性的有色金属技术理论与应用平台!

全国热门有色金属设备推荐
展开更多 +
全国热门有色金属技术推荐
展开更多 +

 

江西省隆恩特环保设备有限公司
宣传

报名参会
更多+

报告下载

有色专家
更多+

东北大学
院长/教授
矿冶科技集团
副所长/研究员
赣州江钨钨合金有限公司
工程师
赣州江钨钨合金有限公司
副总经理
紫金矿业信息化研发中心
副总经理
赤泥综合利用研究报告2025
推广

热门技术
更多+

推荐企业
更多+

福建省金龙稀土股份有限公司
宣传

发布

在线客服

公众号

电话

顶部
咨询电话:
010-88793500-807